一、副產物概貌
1、乙酰乙酸的特點:
- 輸送工作電壓投資規模:6V-100V
- 很大內容輸出電流量:20A
- 調節器理工作任務頻率最多1MHz
- 內部自帶發展壯大的柵極驅動包 2.3A/3.5A
- 自滿足死區有節制
- 頻率搜集藥用價值
- 層面前饋的直流電壓控制結構類型
- 撐持欠壓掩體、過壓掩體、過流掩體、跳閘掩體和過溫掩體
- 裝封:QFN3.5x4.5-20L
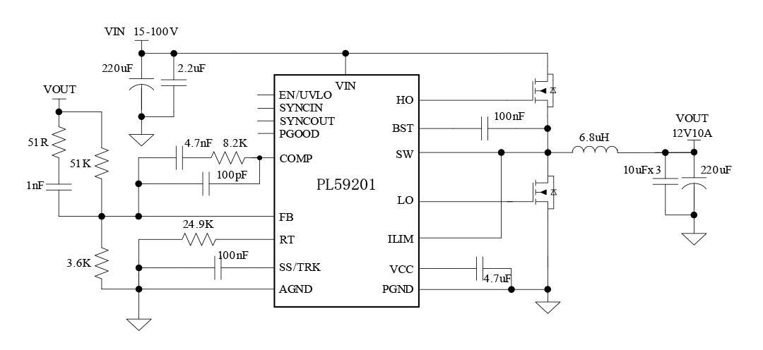
2、通過啟示圖:
3、物質贊美
PL59201都是款100V同步操作降血壓放肆器,廣泛宣傳從高轉換工作直流端電壓源或受高工作直流端電壓瞬變導致的轉換軌停機調理身體,關鍵在于很大限制地降低體制部浪涌抑制插件的需。PL59201在低至6V的轉換工作直流端電壓驟減世紀仍能持續保持級任務,倘若是需的情況下,其占空比相似100%,使其很是適用品牌放肆、機械設備人、數據源通訊網和微波射頻工率縮放器使用。 迫使PWM(FPWM)使用消弭了頻率變更申請,以最大的限定版地降低EMI,而觀眾必選的穩壓管建模藥理作用飛機著陸了輕電動機扭矩目的下的額定電壓直流電壓值耗損。經途任務管理器仗量超高壓側MOSFET兩只的額定電壓降或通過必選的額定電壓直流電壓值感測功率電阻器來完工逐定期過額定電壓直流電壓值保護。達到了1 MHz的可調節為打開頻率才能與內控石英鐘源發送到,以消弭噪音污染敏感度通過中的拍頻。
4、杰出利于處景
- 高蓄電池充電節數蓄電池充電組(如:電動伸縮三輪強制車、電動伸縮三輪腳踏板車)
- 汽車電器驅動包器、沒組排、5G
- 挪動儲熱電原
- 非絕交式POE
- 回收和在乎機
- 電商、電開產品和花卉產品
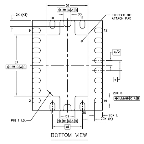
5、封裝類型數據
6、管腳界說和效率贊美
管腳保健作用描敘
序號 | 稱號 | 描寫 |
---|---|---|
1 | EN/UVLO | 使能引腳 |
2 | RT | 振蕩器頻次調劑引腳。內部振蕩器經由進程一個在RT和AGND之間的單一電阻停止編程。倡議的最大振蕩器頻次為1 MHz。即便利用SYNCIN引腳與內部時鐘停止同步,RT引腳上的電阻也是必需的。 |
3 | SS/TRK | 軟啟動和電壓跟蹤引腳。一個內部電容和一個內部10μA電流源設置了毛病縮小器參考電壓在啟動進程中的回升速度。當SS/TRK引腳電壓低于0.8V時,SS/TRK電壓節制毛病縮小器的非反相輸出。當SS/TRK電壓跨越0.8V時,縮小器由內部的0.8V參考電壓節制。在待機和毛病狀況下,SS/TRK被放電到地。在啟動后,SS/TRK電壓被鉗位到比FB引腳電壓高115mV的程度。若是因為負載毛病致使FB電壓降落,SS/TRK將被放電到比FB高115mV的程度,以在毛病消除時供給一個受控的規復。經由進程將一個低阻抗參考毗連在0V和0.8V之間到SS/TRK引腳,能夠完成電壓跟蹤。若是阻抗不低,10μA SS/TRK充電電流流入參考電壓,將發生電壓偏差。從SS/TRK到AGND毗連一個最小電容為2.2nF。 |
4 | COMP | 內部偏差縮小器的低阻抗輸出。將環路彌補收集毗連在COMP引腳和FB引腳之間。 |
5 | FB | 反應毗連到內部偏差縮小器的反相輸出。一個電阻分壓器從輸出到這個引腳設置輸出電壓程度。FB引腳的調理閾值名義上為0.8V。 |
6 | AGND | 摹擬地。用于內部0.8V電壓參考和摹擬電路的前往。 |
7 | SYNCOUT | 同步輸出。邏輯輸出供給一個與高側FET門驅動旌旗燈號相位相差180°的時鐘旌旗燈號。將主PL59201的SYNCOUT毗連到第二個PL59201的SYNCIN引腳,以便以不異的頻次操縱兩個節制器,并完成180°交織的高側FET開關導經由進程渡。注重,當節制器從一個差別于由RT電阻設置的自運轉頻次的內部時鐘中操縱時,SYNCOUT引腳不會供給180°交織。 |
8 | SYNCIN | 雙功效引腳用于供給可選的時鐘輸出,并經由進程低側MOSFET啟用二極管仿真。將時鐘旌旗燈號毗連到SYNCIN引腳能夠將開關與內部時鐘同步。當節制器與內部時鐘同步時,低側MOSFET的二極管仿真被禁用,并且在輕負載下,負的電感電流能夠流入低側MOSFET。在SYNCIN引腳上堅持邏輯低狀況能夠啟用二極管仿真,以防止電感中的反向電流活動。二極管仿真致使輕負載下的非持續形式操縱(DCM),從而進步效力。SYNCIN引腳上的邏輯高狀況則禁用二極管仿真,發生強迫PWM(FPWM)操縱。在軟啟動進程中,當SYNCIN為高或存在時鐘旌旗燈號時,PL59201在二極管仿真形式下運轉,直到輸出到達穩態,而后逐步增添SW零穿插閾值,致使從DCM到FPWM的漸進過渡。 |
9 | NC | 浮空,無收集毗連 |
10 | PGOOD | 電源杰出唆使器。這個引腳是一個開漏輸出。高電平狀況表現FB引腳的電壓在以0.8V為中間的指定容差規模內。 |
11 | ILIM | 電流限定調劑和電流感到比擬器輸出。經由進程內部電阻從ILIM引腳源出的電流用于設置谷電流限定的閾值電壓。閾值調劑電阻的另外一端能夠毗連到低邊MOSFET的漏極以停止RDS(on) 感到,或毗連到與低邊FET源相連的電流感到電阻。 |
12 | PGND | 低側MOSFET門驅動器的電源地前往引腳。間接毗連到低側MOSFET的源極或霍爾電阻的接地端。 |
13 | LO | 低側場效應管柵極驅動輸出。 |
14 | VCC | 7.5V偏置調理器的輸出。利用低ESR/ESL電容停止本地解耦,盡能夠接近節制器安排在PGND上。 |
15 | EP | 引腳內部毗連到封裝的袒露焊盤。電氣斷絕。 |
16 | NC | 無收集毗連 |
17 | BST | 高側柵極驅動器的指導供電。毗連到指導(指導)電容。指導電容為高側FET柵極供給電流,必須盡能夠接近節制器利用。利用內部肖特基二極管為指導電容充電,將二極管的陰極毗連到BST引腳,陽極毗連到VCC。 |
18 | HO | 高邊場效應管柵極驅動輸出。 |
19 | SW | 降壓節制器的開關節點。 |
20 | VIN | VCC 線性穩壓器 調理器的供電電壓輸出。 |
21 | EP | 包裝的裸露焊盤。電氣斷絕。將其焊接到體系接地立體以削減熱阻。 |
二、匠人文件
范例 | 標題 | 上傳時候 | 文檔下載 |
結果樣式書(英文翻譯) | PL59201_Datasheet_en_R1.0 | 2025/04/29 | PDF下載 |
三、根據計劃書
序號 | 標題 |
1 |
電摩托車車充30-65W 同享A+C計劃
|
2 |
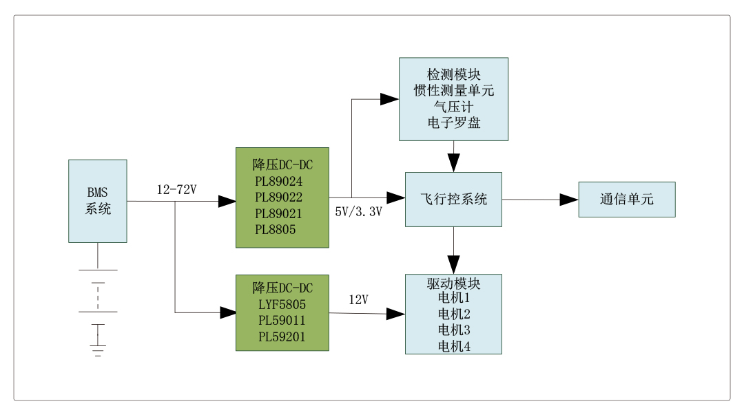
無人機電源利用計劃
|
3 |
新動力BMS利用計劃
|
4 |
智能辦公桌、智能沙發利用計劃
|